Firstack开发1FSS0560 以 “核板 + 适配板” 的灵活架构,实现 IGBT 模块封装、保护功能与故障反馈等的全维度适配。
一、为什么需要灵活性?
IGBT封装技术的发展:以英飞凌为例,IHM,IHV,XHP...,高压IGBT模块的封装逐渐衍生出新的形式,模块的机械尺寸、安装孔位以及参数特性的变化,对IGBT驱动器结构适配的灵活性提出了更高的要求。
应用领域的拓展:以IGBT为主导的电力电子技术在高压大功率工业控制、轨道交通等领域越来越广泛的应用,不同应用场景对IGBT驱动的保护功能提出了多样化的需求,比如带电机负载全工况负载的过流保护、快速短路保护(di/dt)。IGBT驱动保护功能的搭配使用必须更加灵活。
此外,不同行业领域、不同体系下的整机控制系统与驱动器的不同通信协议也要求驱动在故障反馈方面有更高的灵活性。
基于以上高压“灵活”的驱动需求考虑,Firstack推出了极致灵活的1FSS0560驱动解决方案。

1FSS0560驱动解决方案实物图
二、极高的灵活性
1 灵活的驱动核板+适配板结构
1FSS0560采用的核板加适配板形式,通过线束连接。通过搭配多样化的适配板,本产品能够兼容3300V-6500V多种 IGBT 封装类型。

1FSS0560驱动解决方案系统框图
① 灵活的封装适应性

适配类似英飞凌XHP,IHM,IHV封装,覆盖3300V-6500V模块

适配140MM*130MM封装,节约安装空间30%(对比竞品)
② 灵活并联应用

针对类似英飞凌IHM-B封装三并联应用
2 灵活的全方位保护
IGBT常见和大电流相关的故障或者失效模式有两种,一类短路和过流(二类短路)。一类短路一般是指桥臂直通,或母线电压经过IGBT的无负载回路(相间短路或相对地短路),过流一般是指由于某种原因引起的负载过载(例如电机堵转或长负载线缆对地短路)。
短路和过流保护方法也有所不同。短路保护一般做法是通过检测IGBT的退饱和行为来实施保护(电流达到4-7倍模块额定值时保护动作);过流保护通常会采用输出电流传感器作为检测元件,在控制板上通过硬件或软件方式实施保护(电流达到2-4倍模块额定值时动作)。
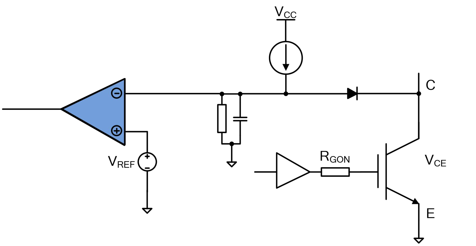
当前常见的IGBT驱动产品都只能进行一类短路保护,无法覆盖全部的过流工况,而1FSS0560针对高压IGBT模块,采用di/dt快速短路保护及多级基于VCE检测的过流保护,实现了IGBT各个故障电流段的全方位保护。
(1) di/dt快速短路保护:
其基本原理如下图所示,在模块封装内部,功率E端子和辅助E端子存在等效杂感LPE,一般会在5-10nH左右,流过IGBT的电流的变化di/dt会在LPE上产生压降V,其计算公式如下:V=LPE*di/dt。正常状态下电流的di/dt一般在10A/μs,而短路状态下的di/dt会在1000A/μs,这样LPE两端压降差别非常大,驱动器通过检测压降V,就能判断IGBT是否发生短路,并进行有效保护。

didt检测原理图 di/dt检测

基于VCE短路检测(8.2us) 基于di/dt短路检测(2.7us)
由于短路发生时,didt检测不需要等待模块退饱和,响应速度相比VCE检测(响应时间8us左右)更快,仅为3us左右。
(2) 多级过流保护:
多级过流保护原理是基于IGBT的IC-VCE特性曲线,如FZ1000R45KL3_B5模块特性图所示,IC越大,VCE越大。基于该特性,通过驱动板采样VCE,可设置不同的过流保护阈值(也可用于基于VCE退饱和检测的短路保护)。根据不同行业及负载特性应用,可以灵活选择多级的过流保护阈值,如2倍IGBT模块额定电流,3倍额定电流等。

过流检测原理图

FZ1200R45HL3模块IC-VCE特性曲线

VDC=2400V,Lload=100uH,IC=3670A
过流保护波形图(C1:VGE, C2:VCE, C3:IC, C4:FAULT_SIGNAL)
3 灵活的故障反馈
不同控制器厂家的通信协议存在技术壁垒,各家协议不尽相同。为了能够适配行业中大部分厂家控制器,1FSS0560可根据客户控制器灵活定制协议,兼容Inpower,PI等通信协议。此外,当功率系统发生故障时,为了便于用户对故障进行定位和分析,1FSS0560还支持故障存储功能。
(1)智能故障反馈协议
模式一:兼容Inpower故障协议
① 当驱动板正常工作时,每收到一个PWM指令,在PWM指令的上升沿和下降沿,故障光纤头的灯都会熄灭短暂的1us,作为接收到指令的应答。
② 当驱动板检测到OC1故障后,故障光纤头将输出4.1us和1个0.8us的低电平的脉冲,作为故障信号通知上位机。
③ 当驱动板检测到OC2故障后,故障光纤头将输出4.1us和2个0.8us的低电平的脉冲,作为故障信号通知上位机。
④ 当驱动板检测到di/dt故障后,故障光纤头将输出4.1us的低电平的脉冲,间隔0.8us后再拉低,作为故障信号通知上位机。

模式二:兼容PI故障协议
⑤ 当驱动板正常工作时,每收到一个PWM指令,在PWM指令的上升沿和下降沿,故障光纤头的灯都会熄灭短暂的700ns,作为接收到指令的应答。
⑥ 当驱动板检测到故障后,故障光纤头的灯将熄灭30us以上,作为故障信号通知上位机。

(2)故障存储功能
当发生故障后,驱动器自动将首发故障类型以故障编码的形式记录在存储卡内,驱动器掉电后不丢失。通过外部软件,可读取故障卡内的信息,最多支持记录8种故障类型,分别为SC、UV、DIDT1、DIDT2、OC1、OC2、OC3、OC4。

故障存储小卡

读取故障信息
三、产品关键参数
IGBT型号 | 型号 | 存储卡 | 故障协议 |
FZ1200R45HL3 | 核板:1FSS0560V45A3C-Y0100 | 无 | Inpower |
适配板: A-HMV10126-45-IP-A1 | / | / | |
FZ1200R33HE3 | 核板:1FSS0560V33E4C-Y02A01 | 有 | ABB协议 |
适配板:A-HMV-33-FZ1200R33HE3 | / | / | |
FF450R45T3E4_B5 | 核板:1FSS0560V45A1C-Y0001 | 无 | PI协议 |
适配板:A-XHPC10126-45-Y0000 | / | / |