摘要
3L-ANPC三电平通过两个低压器件串联以提升系统直流电压,在实际应用的过程中容易出现内外管电压的不平衡,使得内管电压超过半母线电压,威胁装置安全运行。针对这个问题,本文对3L-ANPC三电平并网系统在正常运行、并网待机及故障停机等工况下的内外管不均压机理做分析。其中不均压问题形成的主要原因包括回路中器件寄生参数、内外管结电容充放电不对称、回路振荡等。本文对内外管电压不平衡情况做机理分析,同时对内外管不均压解决方案做可行性分析。分为两个章节做介绍:第1章节主要分析3L-ANPC内外管不均压机理;第2章节从驱动和模组角度来分析不均压情况的解决方法。
关键词:3L-ANPC三电平;内外管;不均压;分布参数;充电电流
引言
随着新能源发电系统并网电压等级逐步提高,3L-ANPC具有使用低压器件实现高压系统的优势,广泛应用于中大功率变流器系统。由于线路和器件分布参数的存在,在三电平逆变器运行过程中会出现电压不平衡情况,使得内管电压可能会超过母线电压的一半,甚至超过内管器件耐受电压。本文针对根据实际工况对3L-ANPC三电平在并网待机、正常运行、故障停机等典型工况做内外管不均压机理和相应解决方案的分析,同时讨论通过驱动和模组设计可以使用怎么样的方法来减小或抑制不均压情况。
1、3L-ANPC内外管不均压机理
1.1待机工况下内外管不均压分析
当变流器待机时候,所有IGBT均关断,电压主要取决于结电容的充放电过程,仅考虑功率单元中的分布电容,如下图。C1、C2为上下半周电容,VDC为直流总电压;Ct1a--Ct6a为对应A桥臂IGBT的结电容;Ct1b--Ct6b为对应B桥臂IGBT的结电容;iCt1a、iCt2a、iCt5a分别为流经Ct1a、Ct2a、Ct5a的电流。
![]() |
图1 待机工况下等效电路图 |
由于半母线电压保持不变,可以将母线电压考虑为恒压源,从图中可知:
![]() | (1) |
则:
![]() | (2) |
即:
![]() | (3) |
由KCL定理可知,有如下公式:
![]() | (4) |
从公式3和公式4可以得出:
![]() | (5) |
由于T1和T2使用相同型号的IGBT,如下Ct1a=Ct2a,所以对应的电压为:
![]() | (6) |
以上公式中,VCt1a、VCt2a、VCt5a为A相T1、T2、T5上对应的电压;如果VCt3b、VCt4b为B相T3、T4上对应的电压;根据KVL定理,有:
![]() | (7) |
其中eab为ab相并网电压,eab(t)=VMsin(ωt+θ),VM并网电压最大值。eab电网电压从VM变化到-VM时候,VCt1a、VCt2a、VCt3b、VCt4b不断增加同时VCt1a+VCt2a=VCt3b+VCt4b;在eab=-VM时候电压达到最大值VDC+VM。结合公式5可以得出:
![]() | (8) |
通常T1、T2、T5选择相同型号的IGBT模块,如此对应的Ct1a=Ct5a;针对直流1500V三电平,交流输出有效值690V的储能系统,由公式8得出,VCt2a=825V(器件工作电压);针对直流1800V三电平,交流输出有效值1140V的风电变流器,VCt2a=1137V;考虑宇宙射线FIT对IGBT的影响,所选择IGBT耐压要预留1.2-1.5余量。通常储能系统采用1200V器件,风电系统采用1700V器件。
如果T5选择不同型号IGBT模块,那么Ct5a>Ct1a,得出的VCt2a更高需要耐压更高的IGBT,所以在使用混合模块时,T5(T6)模块结电容越小越安全,结电容越大不均压越严重。
1.2正常运行情况下不均压情况
并网逆变器正常工作时候,交流输出电压有三种工作状态(P、O、N);交流电流有i>0、i<0两种状态。本文按照i>0来分析3L-ANPC工作状态,同时由于输出电感电流不能突变,将电感按照电流源来做分析。
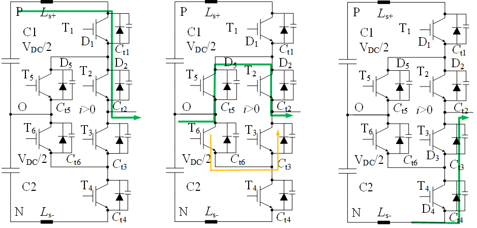
如下图,输出为O电压,D5和T2流过电流;在T1开通时候流过T1的电流在增加,该电流如果小于负载电流IL,D5正常导通,此时的输出电压还是O;在T1电流上升达到IL时候D5截止,经过反向恢复时间后彻底关断,输出电压为P。T3和T4承受全母线电压VDC,由于电感Ls+的存在,会持续流出电流,给T3结电容充电,使得T3的电压大于VDC/2,如果充电时间和电流较大(Ls+存储的能量较大)T3可能会过压。
![]() | ||
O状态 | T1开通 | T3过压 |
图2 O→P状态 | ||
如下图,为P到O的变化过程。初始电压为P状态,通过T1、T5、T6做切换。T1关断后,T1电压不断上升,电流下降,输出电压下降,当T1的电流小于IL时候D5和T6导导通流过电流。T3和T4承受VDC/2电压,由于T3导通,T3结电容电压不断下降,最终到0。即,T3不会存在过压情况。T4的结电容充电最终电压会到VDC/2。
![]() | ||
P状态 | T1关断(时序) | T3开通 |
图3 P→O状态 | ||
如上所述,三电平变流器由O到P或者N切换时候,容易造成内管不均压,其中内管电压较大,超过VDC/2;当从P或者N到O切换时候,不会出现过电压情况;造成以上现象的主要原因是回路中的杂散电感能量在换流过程中转移到内管结电容中。
1.3 停机工况下的分析
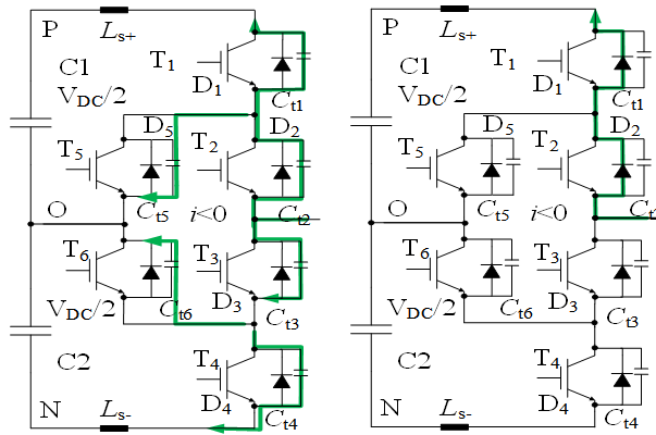
3L-ANPC在停机时候需要遵守内外管关断时序,即要先关断外管,再关断内管。如下图为电流i>0输出电压为P时候的关断示意图。
输出电压为P,T1和T2导通,为初始状态。此时T1关断,D5和T6进入续流状态,输出电压为O;在T2关断后,续流路径切换到为D3和D4,输出电压为N(在T6关断之前输出为O,最终状态T6会关断,输出电压到N)。在D3和D4续流结束之后输出电流i不是直接就为0A,会存在一个振荡过程,该过程中存在i<0的状态,即电流流入桥臂。此时给Ct1、Ct2放电,同时给Ct3、Ct4充电,由于Ct3存在两条充电路径,充电速度比Ct4快。最终充放电完成后,电流i走D1和D2,输出电压为P,此时充电较快的T3电压高于VDC/2,如果超过IGBT安全工作区可能存在过压风险。
![]() | |||
初始状态 | T1关断(时序) | T2关断 | |
![]() | |||
D3/D4续流之后 | 输出电压P(电流反向振荡) | ||
图4 停机时刻状态情况 | |||
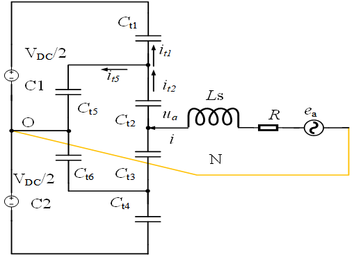
对以上电路做等效电路模型分析,如下图所示:Ls为回路杂感等效电感,R为回路等效电阻,Ct1--Ct6为对应T1--T6的IGBT等效结电容,由于C1和C2为变流器直流电容,容值足够大,所以可以用恒压源表示电压为VDC/2。如上述分析在D3、D4续流完成之后,电流i给6个结电容充电,由于Ct1=Ct4、Ct2=Ct3、Ct5=Ct6(上下桥臂参数对称),所以it2=i/2。同时it2的充电电流最大(it2>it5,it2>it1),T2管子的电压最高,故在停机状态也是内管电压大于外管。此时Ct1、Ct2的为放电状态,在Ct1、Ct2的电压为0V时,电流i就走D1和D2,当电流i衰减到0A时候进入反向振荡i<0,对Ct3、Ct4放电、Ct1、Ct2充电,如此循环。该过程和电流停机时候的振荡频率相关、幅值相关。
![]() |
图5 停机后充放电等效电路 |
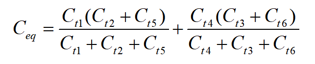
通过以上等效电路可以建立回路方程,Ct1--Ct6电容和C1、C2两个恒压源可以通过戴维南等效原理做分析,得出如下电路模型。以上结电容Ct1--Ct6可以做等效为Ceq,
![]() | (9) |
公式9中,Ct1=Ct4、Ct2=Ct3、Ct5=Ct6;如果T1、T2、T3、T4选择相同器件,公式9可以化简为:
![]() | (10) |
如上述分析,在T2关断、D3/D4续流之后、电流反向振荡情况下,AC点会出现三种状态N、O、P。假设初始状态为N(VDC/2),从N到P的过程就是AC点电压从-VDC/2、0、VDC/2的过程,其中Ea为电网激励,R是回路的电阻。对应的就是LRC二阶振荡电路。
![]() |
图6 二阶LRC |
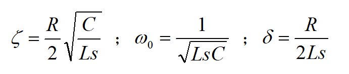
该过程可以看做电路的激励(和幅值、频率相关)。如下电路是二阶电路,电路方程如下:
![]() | (11) |
阻尼系数、谐振角频率、衰减系数
![]() | (12) |
其中衰减系数越大
衰减越快,在大功率3L-ANPC三电平系统里面通常采用母排对应的电阻R较小,但是电感Ls较大。容易在停机的时候出现欠阻尼振荡。具体的LRC的参数可以通过有限元仿真得到,在结合IGBT的结电容参数来计算。
综上所述,介绍了3L-ANPC的内外管不均压的机理,得出内管电压会高于外管电压,同时回路中的寄生电感上存储的能量会向内管充电。三电平输出由O到P或者N切换时候,容易造成内管不均压,其中内管电压较大,超过VDC/2;当从P或者N到O切换时候,不会出现过电压情况。同时在设计3L-ANPC电路时,建议选择相同类型的IGBT型号,尤其T5和T6的器件如果结电容较大,更加容易出现不均压的情况。
在下一章内容将从驱动和模组角度分析3L-ANPC不均压抑制的方法和机理。
*由于作者水平有限,不足之处请支出,感谢。
参考文献:
1、张兴.《PWM整流器及其控制》,机械工业出版社[M].
2、林渭勋.《现代电力电子技术》,机械工业出版社[M].
3、网络资料


















