摘要
针对3L-ANPC三电平存在不均压情况,有三类方法:电阻方案、阻容RC方案、有源钳位方案。以上方案可以在静态和动态实现均压,各有优缺点。电阻方案较简单、成本低,如果选大电阻可以平衡稳态均压(待机、停机);如果选小电阻,电阻功率较大。选择不合适的阻容RC方案参数,容易造成桥臂波形异常;有源钳位方案,所使用的TVS器件精度和器件功耗问题。
关键词:3L-ANPC三电平;电阻方案;阻容RC方案;有源钳位方案
引言
虽然3L-ANPC三电平存在不均压情况,但是由于使用低压器件实现高直流电压,目前是变流器方案首选拓扑。通过驱动和功率模组设计可以优化不均压的情况。第1章节主要分析3L-ANPC内外管不均压机理;第2章,通过分析电阻方法、阻容RC方案、有源钳位方法来实现内管过电压的抑制。同时分析以上三种方案的优缺点,在实际工程应用中需要根据不同的工况来确定使用那种方法。
2.1 电阻方案
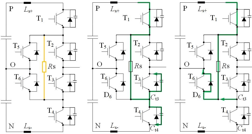
如下图所示在T2的C和T3的E之间加一个电阻Rs,该方式为一种抑制内外管不均压的简单方法,电阻Rs的加入增加了两个通路(正负半周各一个)。按照第1章的结论:输出电位(AC)从O到P/N时候会出现过电压,下图按照i>0来分析3L-ANPC工作状态。从D5/T6续流状态(T1--T4对应0-1-1-0),到T1开通(T1--T4对应0-1-1-0),电阻Rs通过T1连接到VP。假如T3电压高于VDC/2,D6二极管动作T4电压始终为VDC/2;假如T4电压低于VDC/2,Vbus+通过T1和Rs给T4 IGBT结电容Ct4充电,直到电压达到VDC/2、D6导通。
![]() | ||
Rs均压电阻位置 | Rs充电 | D6导通 |
图1 Rs均压原理 | ||
变流器在工作时候,T1和D6导通Rs电阻承受VDC/2或者T4和D5导通Rs电阻承受-VDC/2,即Rs电阻始终VDC/2。有如此在Rs电阻上就存在耗散功率。T3和T4关断时候的电压方程(KVL)为:
![]() | (1) |
其中Vspike(0+)为寄生电感产生的电压,Vcet3、Vcet4为IGBT的端电压。由于Rs的作用T4电压最高为VDC/2,如此T3电压为:
![]() | (2) |
如果变流器在待机或者停机之后,Vspike(0+)=0,T3端电压始终≤VDC/2。如果是运行状态,Vspike(0+)≠0。通过双脉冲测试,IGBT驱动器选取合适的门级参数,将T3电压控制在IGBT的SOA安全工作区之内。
如何选择Rs的参数?
如果设计目标为变流器在待机、停机等稳态使得内外管均压,选择较大Rs电阻,有利于降低功耗提升效率,可以按照如下公式(3)选择:
![]() | (3) |
公式(3)中,Ices为IGBT的漏电流参数,如果是用1200V IGBT,从规格书中可以找到截止电压1200V时候的Ices漏电流参数,一般在0.1mA-10mA之间;k为电阻功率余量通常选4-5;如上述,针对1500V直流系统Rs的电阻在7.5MΩ-750kΩ之间。
如果设计目标是变流器在动态的时候也能均压,就需要考虑系统的开关频率、最小占空比、IGBT结电容等参数,使得在系统最小占空比之内就能给T3结电容充电到VDC/2,缺点是Rs电阻较小,功耗较大。此时Rs给结电容充电满足一阶电路全响应公式:
![]() | (4) |
其中Vt是T3电容时域电压,V0是T3初始电压(初始电压由T3和T4分配)。目前测试手段无法准确测量出该电压(夹上探头,增加阻抗,电压变化),初始电压越高Rs电阻可以越小。可以预估V0=VDC/4,代入公式(4),可以得出3个时间常数后可以达到VDC/2。
![]() | (5) |
其中Dmin是最小占空比,fs是系统开关频率,k是系数(RC需要在一定时间内完成对T3充电同时不能超过系统最小占空比对应的脉宽时间)。针对1500V大功率系统,开关频率3kHz,最小占空比5%,IGBT结电容10nF,k=50%(最小脉宽时间50%)来计算,得出Rs电阻为275Ω,耗散功率为2kW,需要使用8kW功率的电阻。如果使用1500V工商储、组串系统,开关频率在12kHz-16kHz,如果要抑制动态均压就需要更小Rs电阻。
如上所述,Rs电阻方案,选择大电阻可以针对稳态,待机、停机等工况有效。如果要抑制每个开关周期的动态电压不平衡,需要用到小电阻,如此电阻功耗较大,降低变流器效率。同时电阻方案最高只能将T4电压钳位到VDC/2,T3的过电压(公式2)需要通过双脉冲测试配合IGBT驱动器参数来控制SOA之内。由于考虑电阻功耗、选型、系统效率问题,一般都选择较大的电阻。
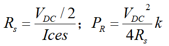
2.2 改进型电阻方案
如下图所示,将单个Rs电阻并联在T2和T3两端,如此T2和T3的电压等于电阻两端电压,稳态时候T2和T3也是存在电压不平衡的情况。故可以将Rs电阻一分为二变为Rs1和Rs2,如此在保留电阻方案原有特性情况下,进一步使得T2和T3均压。
![]() |
图2 改进型电阻方案 |
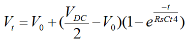
3.1 阻容RC方案
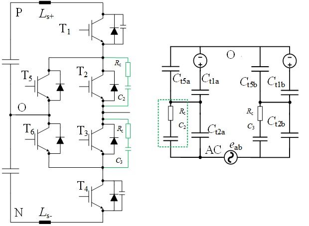
如第1章的说明,影响均压的原因是3L-ANPC拓扑充电回路结电容不同造成,即内管结电容上流过的充电电流大于外管电流形成的电压不平衡。如果在T3和T2 IGBT各自并联一个电容C3和C2(补偿电容)就可以使得电压重新平衡。基础原理就是通过补偿电容增加内管等效电容使得和外管等效电容相同,如此在充放电时候可以平衡内外管电压。同时在C3和C2电容上串联电阻Rc来限制补偿电容对IGBT的电流冲击。可以将第1章公式6和公式8改写为如下:
![]() | (6) |
![]() | (7) |
如上所示如果选择的C3电容刚好等于IGBT结电容,同时T1、T5、T2是相同型号模块,Ct1a=Ct2a=Ct5a=C3。T1和T2电压相同实现电压平衡。
![]() | (8) |
![]() | (9) |
针对MW级变流器使用大功率IGBT模块,结电容在5nF-20nF之间。IGBT CE结电容等于输出电容减去输入电容(可以通过半导体厂家来获取)。同时C3和C2电容的选择也可以大于IGBT结电容,可以从实测效果和损耗等方面去考虑。Rc电阻的选择可以按照公式5,电容的充放电能量所消耗的功率落到电阻Rc上,电阻功率按照如下计算:
![]() | (10) |
![]() |
图3 阻容RC方案等效原理 |
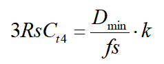
3.2改进型阻容RC方案
针对kW级别变流器通常使用PCBA做功率回路,按照3.1的介绍可以使用高压电阻和高压电容串联和并联形式Layout在PCB中。不过针对MW级别变流器通常使用大功率IGBT模块和叠层铜排,没有PCB,所以在大功率使用一组RC来实现。在2.1介绍的平衡电阻上串联电阻Cs。改进型阻容RC方案的好处是减少了一组阻容,坏处是Rs的功耗增加了一倍。在大功率应用场合可以使用功率电阻和功率电容。
![]() |
图4 改进型阻容RC方案 |
如上所述,RC方案由于C的存在,能量可以反馈回系统,同时可以降低R电阻的功耗(相比纯电阻)。同时电容也具有电压钳位效果(电压不能突变)。针对kW级变流器可以采用双RC,对于MW级别可以采用单RC。由于回路杂感造成的过电压,只能通过双脉冲测试方案配合IGBT驱动器控制到IGBT SOA范围之内。同时针对停机时候电流的LC谐振情况,采用RC方案可以增加二阶电路的阻尼系数、降低振荡角频率,可以加快收敛。
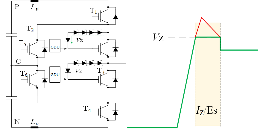
4.1 有源钳位方案
有源钳位电路的目标是钳住IGBT集电极电压,使其不要过高。该功能主要应用在变流器异常工况导致IGBT关断电压过高,该电路正常情况下不投入工作。该电路有TVS管和快恢复二极管组成。当IGBT集电极电流过高时,TVS被击穿,有电流流进门极,门极电位抬升,从而使得关断速度减低,进而减小尖峰。其本质是一个负反馈回路,被控对象为IGBT集电极电压。如图5所示,当IGBT集电极电压超过Vz时,TVS被击穿电压尖峰能量被TVS吸收,TVS流过电流Iz同时产生耗散功耗。该有源钳位方案电路较简单,不过存在如下问题:1)TVS器件击穿电压存在个体离散性和精度问题,一般5-15%,批量使用后存在电压值一致性问题。2)如图6所示,TVS在不同电流电压不同,电流超过工作电Iz1到达工作点Iz2的时候,Vz电压快速上升,导致整体钳位电压Vz提高。3)针对3L-ANPC内管不平衡电压,该电路对动态电压更加有效,如果是待机和停机时候的长时间不均压,TVS一直动作形成的功耗较大,会发热失效。4)针对目前MW级变流器普遍采用三电平多并联方案,如果在每一并联之路都增加有源钳位,其真实工程效果有待验证。
![]() |
图5 有源钳位电路原理 |
![]() |
图6 TVS特性曲线 |
针对以上的问题,国内外的学者和工程师提出了一些改进措施。如图7 a)所示,在图5的基础上增加电流回路来关断低阻状态的Boost,如此减小TVS电流降低功耗控制钳位Vz电压,该电路的问题是Boost动作需要时间,增加钳位电路的响应和相位延时。如图 b)所示使用一个开关器件来旁路VZ2,在IGBT关断电压高于VZ1时候TVS动作,切断开关投入VZ2+VZ1。因为VZ1不能频繁动作,两段式电压导致VZ2需要使用较低的阈值。在双脉冲测测试中需要将内管电压峰值控制较低,增加内管损耗。同时也无法解决稳态是长期功耗的问题。图7 c)是b)低成本方案利用电容特性短时旁路TVS。
![]() | ||
a)高级钳位 | b)开关型动态钳位 | c)阻容型动态钳位 |
图7 改进型有源钳位 | ||
如上所述,有源钳位方案对动态电压有好处,针对静态电压会有连续功耗容易超过器件热容使得器件失效。即加入动态钳位也无法解决静态问题,同时会增加内管开关损耗。针对寄生电感较小的功率方案(如Easy系列)、关断电压小、电压余量较大的场合同时有足够空间可以放置多个TVS的场合可以尝试(实际效果通过测试确定)。对于多电平多并联方案通常使用标准半桥模块(如ED3、PP3)组合形式,寄生电感通常100nH-250nH,关断电压大,有源钳位阀值电压较难设置。
总结:
从第1章中得出造成不平衡主要原因是回路杂散电感、IGBT寄生电容等。在结合工程应用实际情况总结如下:
(1) 功率模组中的寄生电感较大,存储能量高:优化回路电感。
(2) 模块结电容离散性,尤其T5T6随机分配到大结电容模块:单桥臂模块匹配。
(3) 三电平系统增加中点平衡控制,导致正负半周IGBT开关动作不对称:优化控制方式或增加直流电容。
(4) IGBT本身开关特性如dv/dt,速度快,激励源强:调整的合适的速度。
从第2章中介绍的三种解决方案无法同时解决待机、停机电流振荡、运行不均压等问题,同时也无法解决内管关断过电压问题。所以在模组设计好之后需要配合IGBT驱动器进行双脉冲测试来获取并调试到合适的dv/dt和关断过电压,在配合以上三种方式来平衡内管电压。 Firstack驱动器早在2018年识别出该问题并在ED系列驱动上集成平衡电阻(如图2)可以对待机和停机(稳态)起到电压平衡作用。Firstack基于系统思维的IGBT/SiC设计理念可有效发现功率模组痛点和问题,并通过驱动设计来优化设计。
*由于作者水平有限,不足之处请指出,感谢。
参考文献:
[1].张兴.《PWM整流器及其控制》,机械工业出版社,[M].
[2].林渭勋.《现代电力电子技术》,机械工业出版社,[M].
[3].Ting Lu.et al.Parameter Design of a Three-Level Converter,[C].
[4].网络资料
















